聯系我們
企業地址:天津市西青經濟技術開發區賽達國際工業城A3-2
企業郵箱:apastj@163.com
聯系電話:022-87887696
企業傳真:請聯系管理員
企業郵編:300385
咨詢熱線:13622125499(24小時服務)
企業郵箱:apastj@163.com
聯系電話:022-87887696
企業傳真:請聯系管理員
企業郵編:300385
咨詢熱線:13622125499(24小時服務)
2020R工業鋁型材3D模型+CAD數據參數
艾普斯 丨 2018.09.30 丨 4960
|
|
|||
| 2020R工業鋁型材3D模型 | ||||
|
|
||||
| 2020R工業鋁型材主要應用于輕型工業鋁型材框架結構邊角,增大受力面積,減緩沖擊力,可以起到一定的安全防護作用; | ||||
|
|
||||
|
||||
|
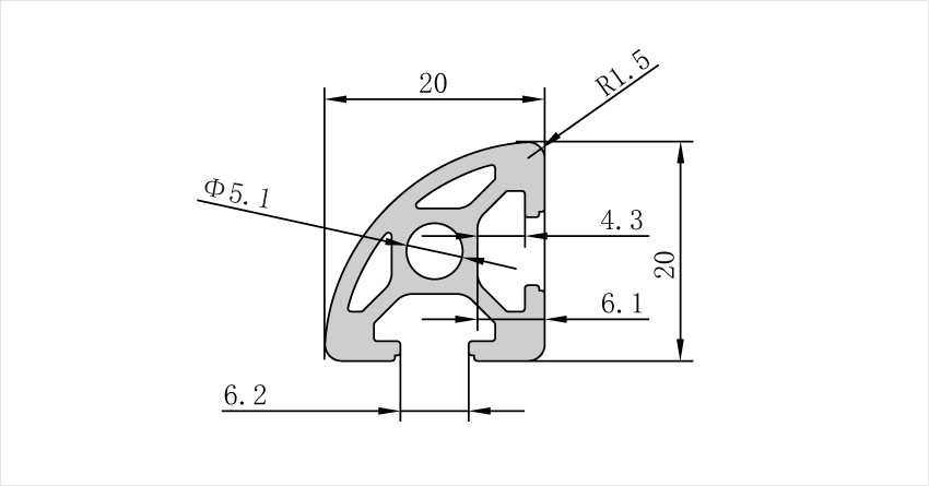
(2020R工業鋁型材2維參數)
|
||||
|
規格型號
|
材質
|
單位重量
|
慣性矩
|
慣性矩
|
彎矩
|
彎矩
|
訂貨編號
|
|
Profile
|
Material
|
Weight
|
Ix(cm4)
|
Iy(cm4)
|
Wx(cm3)
|
Wy(cm3)
|
Order NO.
|
|
20×20R
|
鋁AL(6063-T5)
|
0.56kg/m
|
0.72
|
0.72
|
0.66
|
0.79
|
APAS-P6-2020R
|
| 2020R工業鋁型材3D模型便于工業制造領域工程師對于框架結構的構想與實現,可以直接下載2020R工業鋁型材CAD平面圖導出3D模型; |




